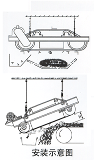
RCDD系列自冷式電磁自卸除鐵器,是在RCDB的基礎上增加了驅動電機、滾筒、刮板及膠帶等組成的卸鐵裝置,無需停電自動卸鐵。
適用于鋼鐵廠、水泥廠。多用于礦渣除鐵量比較高的環(huán)境。

【產品類別】:電磁除鐵器
【產品簡述】:RCDD系列自冷式電磁自卸除鐵器,是在RCDB的基礎上增加了驅動電機、滾筒、刮板及膠帶等組成的卸鐵裝置,無需停電自動卸鐵...
13937399851
RCDD系列自冷式電磁自卸除鐵器,是在RCDB的基礎上增加了驅動電機、滾筒、刮板及膠帶等組成的卸鐵裝置,無需停電自動卸鐵。
適用于鋼鐵廠、水泥廠。多用于礦渣除鐵量比較高的環(huán)境。
